header logo
HOME


画像

画像
(クリックで拡大)
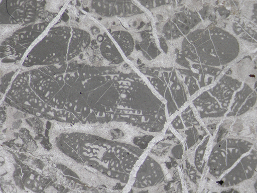
GKD1838_2
資料番号GKD1838_2
資料名Fusulinida 紡錘虫類(フズリナ)
表題名2011_フズリナ薄片_標本写真
地質ユニット
試料番号
薄片番号
写真の横幅_㎜_
倍率
タイプ標本
文献TORIYAMA, R. 1954: Geology of Akiyoshi. Memoirs of the Faculty of Science, Kyushu University, Series D, Geology, vol.4, no.1, pp.39-97.
TORIYAMA, R. 1954: Geology of Akiyoshi. Part II. Stratigraphy of the Non-calcareous Groups developed around the Akiyoshi Limestone Group. Memoirs of the Faculty of Science, Kyushu University, Series D, Geology, vol.5, no.1, pp.1-46.
TORIYAMA, R. 1958: Geology of Akiyoshi. Part III. Fusulinids of Akiyoshi. Memoirs of the Faculty of Science, Kyushu University, Series D, Geology, vol.7, pp.1-264.
鳥山 隆三, 1954; 1954; 1958:九州大学理学部紀要.


  • 魚類 HOME
  • 内田恵太郎 コレクション
  • その他の博物館所蔵 Coll.

  • 工学 HOME
  • 歴史的機械類
  • 旧機械工学科関連資料
  • フライベルク製鉱山関連模型
  • 冶金学関連コレクション
  • 採鉱学関連コレクション
  • 医療 X 線管コレクション
  • その他の博物館所蔵 Coll.
  • 音源・映像資料 HOME
  • 田村悟史 Coll.(蓄音機)
  • 田村悟史 Coll.(SP レコード)
  • 8mm フィルム
  • その他の博物館所蔵 Coll.
  • 記録資料 HOME
  • 鉱山関連文書
  • 中山平次郎 資料
    (個人史・写・乾板)
  • 岡崎敬 コレクション
    (地図・調査資料)
  • 金平亮三 関連資料
    (写真・乾板など)
  • 田村悟史 資料
    (記録機材・文字資料)
  • 科学描画
  • 教育掛図
  • その他の博物館所蔵 Coll.
  • 什器 HOME
  • 歴史的木製什器
  • 教育資料
  • 生活資料
  • 実験機器
  • その他の博物館所蔵 Coll.
  • 3D HOME
  • 古人骨データ
  • Pandanaceae 果実標本データ
  • その他のデータ